Digitalsteuerung und Betrieb
 
Lenz Digital plus DCC (NMRA-Standard)

1    Zentraleinheit  (Lenz LZ100)
2    Verstärker (Lenz LV102)  , 1    Verstärker (Lenz LV101)
1    Interface (Lenz  LI100F) mit 19200 baud
2    Handsteuergeräte (Lenz LH100)
25  Schaltdekoder (Lenz , Littfinski)
32  Besetztmelder (Lenz)
7    Rückmelder (Lenz) für Gleisbesetztmeldungen und Reed-Kontakte 
3    Kehrschleifenmodule (Lenz)
17  Lok-Dekoder  (Lenz, ESU, Uhlenbrock)
PC: 

Fujitsu Siemens Lifebook E , Windows XP

Software:

Railroad & Co. TrainController, Version 5.5

 
 

Zentraleinheit, Verstärker
Interface und Handsteuergeräte.
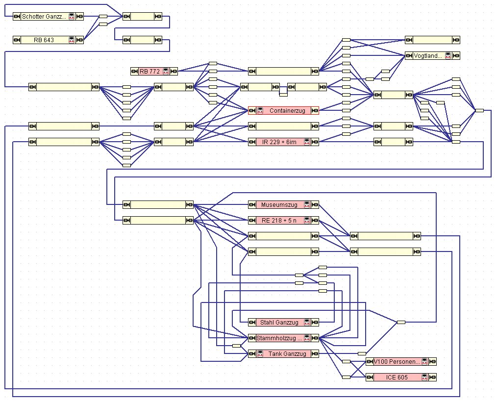
Elektronisches Stellwerk des TrainControllers

 
Beispiele für die Verdrahtung und die Steuermodule
(Schaltdekoder, Rückmeldedekoder, Besetztmelder, Relais)

Zug-Fahrplan
 
zurück 
 
letzte Änderung: 25 Mai 2018